0
0
0

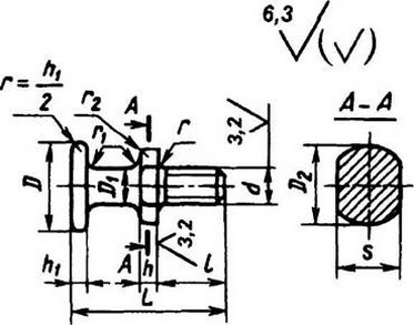
11. Грузовые винты, стяжные муфты

Этот сайт использует файлы cookies для более комфортной работы пользователя. Продолжая просмотр страниц сайта, вы соглашаетесь с политикой использования файлов cookies. Подробнее