0 руб
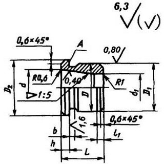
Оформить заказТехнические требования. Неуказанные предельные отклонения размеров: Н14, h14, ±t2/2.
Для втулок по ГОСТ 12214-66 и по ГОСТ 12215-66 допуск радиального биения поверхности диаметра d относительно поверхности диаметра D и для втулки по ГОСТ 13157-67 допуск радиального биения поверхности D относительно конической поверхности по 4-й степени точности ГОСТ 24643-81.
Для втулок по ГОСТ 12214-66 и по ГОСТ 12215-66 допуск торцового биения опорного торца относительно поверхности диаметра d и для втулок по ГОСТ 13157-67 допуск торцового биения поверхности А относительно конической поверхности по 5-й степени точности ГОСТ 24643-81.
Для втулок по ГОСТ 12214-66 и по ГОСТ 12215-66 покрытие Хим. Окc. прм. Для втулок по ГОСТ 13157-67 покрытие Хтв.18 (обозначение покрытий по ГОСТ 9.306-85).
Размеры втулок приведены в табл. 66.
66. Втулки конические для фиксаторов (ГОСТ 13157-67), втулки с буртиком (ГОСТ 12214-66) и втулки (ГОСТ 12215-66) для фиксаторов и установочных пальцев
Размеры, мм
ГОСТ 13157-67

ГОСТ 12214-66

ГОСТ 12215-66

Обозначение втулок | d* (поле допуска Н7) | L | Н | D (поле допуска r6) | D1 (поле допуска f9) | D2 | h | l | r = с | d1 | l1 | b | b1 | Масса, кг | ||||
ГОСТ 33157-67 | ГОСТ 12214-66 | ГОСТ 12215-66 | ГОСТ 13157-67 | ГОСТ 12214-66 | ГОСТ 12215-66 | |||||||||||||
- | 7030-0122 | 7030-0172 | 4 | 6 | 6 | 8 | 8 | 11 | 1,6 | 1,2 | 0,2 | - | - | - | 1 | - | 0,002 | 0,002 |
7030-1061 | 0123 | 0173 | 6 | 8 | 8 | 10 | 10 | 13 | 2 | 1,5 | 0,6 | 5 | 1,6 | 1,5 | 1,5 | 0,004 | 0,004 | 0,003 |
1062 | 0124 | 0174 | 8 | 10 | 10 | 12 | 12 | 15 | 2 | 1,5 | 0,6 | 6,5 | 1,6 | 1,5 | 1,5 | 0,007 | 0,006 | 0,005 |
7030-1063 | 7030-0125 | 7030-0175 | 10 | 12 | 12 | 16 | 16 | 20 | 3 | 1,5 | 0,6 | 8 | 1,6 | 2 | 2 | 0,015 | 0,013 | 0,012 |
1064 | 0126 | 0176 | 12 | 14 | 14 | 18 | 18 | 22 | 3 | 1,5 | 0,6 | 9,5 | 1,6 | 2 | 2 | 0,022 | 0,014 | 0,016 |
7030-1065 | 0127 | 0177 | 16 | 18 | 14 | 22 | 22 | 26 | 3 | 1,5 | 0,6 | 13 | 2 | 3 | 2 | 0,034 | 0,024 | 0,020 |
- | 7030-0128 | 7030-0178 | 16 | - | 18 | 22 | 22 | 26 | 3 | 1,5 | 0,6 | - | - | - | 2 | - | 0,029 | 0,025 |
Для втулок конических по ГОСТ 13157-67 размер d - 6+0,025; 8+0,030; 10+0,030; 12+0,035; 16+0,035мм.
ГОСТ 13157-67 предусматривает также d = 20мм, ГОСТ 12214-66 предусматривает d = 2,5мм и d = 20 ... 50мм.
Материал сталь марки У8А по ГОСТ 1435-90. Допускается замена материала на стали других марок с механическими свойствами не ниже, чем у стали марки У8Л. Материал для втулок по ГОСТ 12214-66 диаметров свыше 20мм- сталь марки 20Х по ГОСТ 4543-71. Допускается замена на стали других марок с механическими свойствами не ниже, чем у стали марки 20Х.
Твердость конических втулок 56 ... 61 HRCэ. Глубина цементованного слоя для втулок из стали марки 20Х - 0,8 - 1,2мм.
Размеры канавок для выхода шлифовального круга - по ГОСТ 8820-69.
Конусность - по ГОСТ 8593-81, допуски на угловые размеры - по 8-й степени точности ГОСТ 8908-81.
Пример условного обозначения конической втулки для фиксатора размером d = 6мм:
Втулка 7030-1061 ГОСТ 13157-67.