0 руб
Оформить заказ1. Материалы для прокладок
Материалы | Рабочая среда | Температура среды, °С | Рабочее давление среды, МПа |
не более | |||
Свинец | Кислоты | - | 0,2 |
Резина сплошная | Вода, воздух, вакуум | 30 | 0,3 |
Картон технический промасленный | Вода, нефть, масло | 40 | 1 |
Паронит | Воздух | 60 | 5 |
Паронит ПОН | Бензин, керосин, масло | 100 | 2 |
Вода, пар | 200 | 5 | |
Водяной пар | 450 | 5 | |
Фторопласт | Кислоты, бензин, растворы едких щелочей, сухие газы, масло и другие агрессивные среды | 225 | 40 |
Резина: |
| ||
с парусиновой прослойкой | Вода, воздух | 60 | 0,6 |
с металлической сеткой | Вода, воздух | 90 | 1 |
Полихлорвинил | Кислоты, бензин | 60 | 4 |
Полотно армированное | Вода, воздух | 150 | - |
Медь | Пар | 250 | 3,5 |
Вода | 250 | 10 | |
Асбометаллические прокладки с оболочкой: |
| ||
медной | Пар | 250 | 3,5 |
никелевой | Пар | 300 | 2 |
Алюминий | Пар | 300 | 2 |
Нефть, масло | 300... 400 | 3...6 | |
Асбест | Пар, горячие газы | 450 | 0,15 |
Мягкая сталь | Вода, пар | 470 | 10 |
2. Уплотнительные кольца из фторопласта-4 для арматуры
Размеры, мм

Ру до 10МПа | Ру до 20МПа; Ру до 40МПа | ||||||||
Dy | D | d1 | b | h | Dy | D | d1 | b | h |
6 | 16 | 14 | 2,5+0,06 | 3 | 6 | 13,5 | 14,5 | 2,5+0,06 | 3 |
10 | 20 | 18 | 10 | 13,5 | 14,5 | ||||
15 | 26 | 23 | 15 | 18,5 | 19,5 | ||||
20 | 34 | 30 | 3,0+0.06 | 20 | 24,0 | 25,0 | 2,75+0,06 | ||
25 | 38 | 33 | 25 | 29,0 | 30,0 | ||||
32 | 48 | 44 | 4,0+0,08 | 4 | 32 | 38,0 | 39,0 | 3,75+0.08 | |
40 | 56 | 52 | 40 | 48,0 | 49,0 | 4,7+0.08 | 4 | ||
50 | 68 | 64 | 5,0+0,08 | 50 | 58,0 | 59,0 | |||
65 | 84 | 80 | 6,0+0,08 | 65 | 74,0 | 75,0 | 5,75+0.08 | 6 | |
80 | 102 | 98 | 7,0+0,1 | 5 | 80 | 92,0 | 93,0 | 6,75+0,1 | 7 |
100 | 124 | 120 | 8,0+0,1 | 100 | 114,0 | 115,0 | 7.75+0,1 | ||
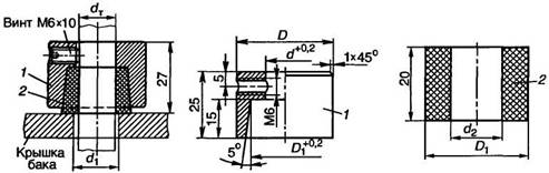
2а. Уплотнения для труб
Размеры, мм

Условный проход трубы, ГОСТ 3262-75 | dт | d1 | D | D1 | d | d2 |
8 | 14 | 17 | 36 | 27 | 15 | 13,6 |
10 | 18 | 21 | 40 | 31 | 19 | 17,6 |
15 | 22 | 25 | 44 | 35 | 23 | 21,6 |
20 | 28 | 32 | 50 | 41 | 29 | 27,6 |
25 | 34 | 38 | 56 | 47 | 35 | 33,6 |
32 | 42 | 47 | 65 | 56 | 44 | 42,5 |
40 | 50 | 53 | 72 | 63 | 51 | 48,5 |
50 | 60 | 68 | 85 | 76 | 64 | 63 |
Материал: втулки 1 - сталь 20; сальника 2 - войлок технический.
3. Уплотнительные прокладки для резьбовых соединений
Размеры, мм
Эскиз | d (Н14) | D (h12) | s | d (H14) | D (h12) | s | d (H14) | D (h12) | s |
Материал прокладок: алюминий, медь, паронит, картон, фибра, резина | 3,2 4,2 | 6,5 | 1,0 | 8,2 | 12,5 14,5 | 1,0 | 14,2 | 18,5 20,5 | 1,5 |
5,2 | 8,5 10,5 | 10,2 | 14,5 16,5 | 16,2 | 20,5 22,5 | ||||
6,2 | 10,5 12,5 | 12,2 | 16,5 18,5 | 1,5 | 18,2 | 24,7 | |||
| 20,2 | 26,7 28,7 | 1,5 | 32,3 | 38,7 40,7 | 2,0* | 45,3 | 53 55 | 2,0* |
22,2 | 28,7 30,7 | 34,3 | 40,7 42,7 | 48,3 | 57 59 | ||||
24,3 | 30,7 32,7 | 2,0* | 36,3 | 42,7 45,7 | 50,5 | 64 64 | |||
26,3 | 32,7 34,7 | 38,3 | 45,7 46,7 | 52,5 | 64 66 | 2,5** | |||
28,3 | 34,7 36,7 | 40,3 | 48,7 51 | 56,5 | 66 | ||||
30,3 | 36,7 38,7 | 42,3 | 51 53 | 60,5 | 69 71 |
* Для фибры s = 2,1мм.
** Для фибры s = 2,4мм; для паронита s = 3,0мм.

