0 руб
Оформить заказ10. Формулы и способы расчета пружин из стали круглого сечения по ГОСТ 13765-86 в ред. 1990г.
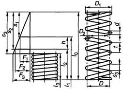
Пружина сжатия

Пружина растяжения

Наименование параметра | Обозначение | Расчетные формулы и значения |
1. Сила пружины при предварительной деформации, Н | F1 | Принимаются в зависимости от нагрузки пружины |
2. Сила пружины при рабочей деформации (соответствует наибольшему принудительному перемещению подвижного звена в механизме), Н | F2 | |
3. Рабочий ход пружины, мм | h | |
4. Наибольшая скорость перемещения подвижного конца пружины при нагружении или разгрузке, м/с | Vmax | |
5. Выносливость пружины, число циклов до разрушения | NF |
Продолжение табл. 10
Наименование параметра | Обозначение | Расчетные формулы и значения |
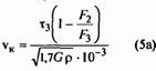
6. Наружный диаметр пружины, мм | D1 | Предварительно назначают с учетом конструкции узла. Уточняются по таблицам ГОСТ 13766-86-ГОСТ 13776-86 |
7. Относительный инерционный зазор пружины сжатия. Для пружин растяжения служит ограничением максимальной деформации | δ | δ = 1-F2/F3. (1) Для пружин сжатия классов I и IIδ=0,05...0,25; для пружин растяжения δ=0,05...0,10; для одножильных пружин класса IIIδ=0,10...0,40; для трехжильных класса IIIδ=0,15...0,40 |
8. Сила пружины при максимальной деформации, Н | F3 | F3=F2/(1-δ) (2) Уточняется по таблицам ГОСТ 13766-86-ГОСТ 13776-86 |
9. Сила предварительного напряжения (при навивке из холоднотянутой и термообработанной проволоки), Н | F0 | F0= (0,1... 0,25) F3 |
10. Диаметр проволоки, мм | d | Выбирается по таблицам ГОСТ 13764-86-ГОСТ 13776-86 |
11. Диаметр трехжильного троса, мм | d1 | |
12. Жесткость одного витка пружины, Н/мм | c1 | |
13. Максимальная деформация одного витка пружины, мм | s'3 (при F0=0) s"3 (при F0>0) | Выбирается по таблицам ГОСТ 13764-86-ГОСТ 13776-86
|
14. Максимальное касательное напряжение пружины, Н/мм2 (Коэффициент k см. п. 35) | τ3 | Назначается по табл. 2 ГОСТ 13764-86. При проверке
Для трехжильных пружин
|
15. Критическая скорость пружины сжатия, м/с (Максимальная скорость подвижного звена механизма vmax должна быть равна или меньше vK, т.е. vK > vmax) | vк |
Для трехжильных пружин
|
16. Модуль сдвига, Н/мм2 | G | Для пружинной стали G = 7,85·104 |
17. Динамическая (гравитационная) плотность материала, Н·с2/м4 | Р | p = γ/g, где g-ускорение свободного падения, м/с2; γ - удельный вес, Н/м3. Для пружиннойстали р = 8·103 |
18. Жесткость пружины, Н/мм | с |
Для пружин с предварительным напряжением
Для трехжильных пружин
|
19. Число рабочих витков пружины | n | n = c1/c (7) |
20. Полное число витков пружины | n1 | n1 = n+ n2, (8) где n2 - число опорных витков |
21. Средний диаметр пружины, мм | D | D = D1 – d = D2 + d Для трехжильных пружин D = D1– d1= D2+ d1(9a) |
22. Индекс пружины | i | i = D/d (10) Для трехжильных пружин i= D/d1 (10а) Рекомендуется назначать от 4 до 12 |
Продолжение табл. 10
Наименование параметра | Обозначение | Расчетные формулы и значения | ||||||
23. Коэффициент расплющивания троса в трехжильной пружине, учитывающий увеличение сечения витка вдоль оси пружины после навивки | Δ | Для трехжильного троса с углом свивкиβ=24° определяется по таблице, приведенной ниже | ||||||
i | 40 | 45 | 50 | 55 | 60 | 7,0 и более | ||
Δ | 1,029 | 1,021 | 1,015 | 1,010 | 1,005 | 1,000 | ||
24. Предварительная деформация пружины, мм | s1 | s1=F1/c (11) | ||||||
25. Рабочая деформация пружины, мм | s2 | s2= F2/c (12) | ||||||
26. Максимальная деформация пружины, мм | s3 | s3= F3/c (13) | ||||||
27. Длина пружины при максимальной деформации, мм | l3 | l3 = (n1 + 1 – n3)d, (14) где n3 - число обработанных витков. Для трехжильных пружин l3 = (n + l)d1Δ. (14а) Для пружин растяжения с зацепами l3 = l0 + s3 | ||||||
28. Длина пружины в свободном состоянии, мм | l0 | l0=l3+s3 (15) | ||||||
29. Длина пружины растяжения без зацепов в свободном состоянии, мм | l0' | l0' = (n1+1)d (15а) | ||||||
30. Длина пружины при предварительной деформации, мм | 1l | l1 = l0-s1. (16) Для пружин растяжения l1= l0+s1(16а) | ||||||
31. Длина пружины при рабочей деформации, мм | l2 | l2=l0-s2. (17) Для пружин растяжения l2=l0+s2 (17а) | ||||||
32. Шаг пружины в свободном состоянии, мм | t | t = s'3+d. (18) Для трехжильных пружин t = s'3+d1Δ. (18а) Для пружин растяжения t = d(18б) | ||||||
33. Напряжение в пружине при предварительной деформации, Н/мм2 | τ1 |
| ||||||
34. Напряжение в пружине при рабочей деформации, Н/мм2 | τ2 |
| ||||||
35. Коэффициент, учитывающий кривизну витка пружины | k |
Для трехжильных пружин
| ||||||
36. Длина развернутой пружины (для пружин растяжения без зацепов), мм | l |
| ||||||
37. Масса пружины (для пружин растяжения без зацепов), кг | m |
| ||||||
38. Объем, занимаемый пружиной (без учета зацепов пружины), мм3 | V |
| ||||||
39. Зазор между концом опорного витка и соседним рабочим витком пружины сжатия, мм | λ | Устанавливается в зависимости от формы опорного витка | ||||||
40. Внутренний диаметр пружины, мм | D2 | D2=D1-2d (25) | ||||||
41. Временное сопротивление проволоки при растяжении, Н/мм2 | Rm | Устанавливается при испытаниях проволоки или по ГОСТ 9389-75 и ГОСТ 1071-81 | ||||||
42. Максимальная энергия, накапливаемая пружиной, или работа деформации, МДж |
| Для пружин сжатия и растяжения без предварительного напряжения
для пружин растяжения с предварительным напряжением
| ||||||
Методика определения размеров пружин по ГОСТ 13765-86.
1. Исходными величинами для определения размеров пружин являются силы F1 и F2, рабочий ход h, наибольшая скорость перемещения подвижного конца пружины при нагружении или при разгрузке vmах, выносливость NF и наружный диаметр пружины D1 (предварительный).
Если задана только одна сила F2, то вместо рабочего хода h для подсчета берут величину рабочей деформации s2, соответствующую заданной силе.
2. По величине заданной выносливости NF предварительно определяют принадлежность пружины к соответствующему классу по табл. 1.
3. По заданной силе F2 и крайним значениям инерционного зазора δ вычисляют по формуле (2) значение силы F3.
4. По значению F3, пользуясь табл. 2, предварительно определяют разряд пружины.
5. По табл. 11-17 находят строку, в которой наружный диаметр витка пружины наиболее близок к предварительно заданному значению D1. В этой же строке находят соответствующие значения силы F3 и диаметра проволоки d.
6. Для пружин из закаливаемых марок сталей максимальное касательное напряжение τ3 находят по табл. 2, для пружин из холоднотянутой и термообработанной τ3 вычисляют с
учетом значений временного сопротивления Rm. Для холоднотянутой проволоки Rm определяют из ГОСТ 9389-75, для термообработанной - из ГОСТ 1071-81.
7. По полученным значениям F3 и τ3, aтакже по заданному значению F2 по формулам (5) и (5а) вычисляют критическую скорость vK и отношение vmax/vK, подтверждающее или
отрицающее принадлежность пружины к предварительно установленному классу.
При несоблюдении условий vmax/vK<1 пружины I и II классов относят к последующему классу или повторяют расчеты, изменив исходные условия. Если невозможно изменение исходных условий, работоспособность обеспечивается комплектом запасных пружин.
8. По окончательно установленному классу и разряду в соответствующей таблице на параметры витков пружин, помимо ранее найденных величин F3, D1, и d, находят величины c1 и s3, после чего остальные размеры пружины и габариты узла вычисляют по формулам (6)... (25).

















